首頁 > 新聞中心 > 現場圖集<
中試控股技術研究院魯工為您講解:
中試控股 ? 塑造中國制造的優(yōu)質品牌
始于1986年 ? 30多年專業(yè)制造 ? 國家電網.南方電網.內蒙電網.入圍合格供應商:ZSDJS-9535 高壓電纜介損測試儀
ZSDJS-9535高壓電纜介損測試儀主要針對大容量和高電壓容性設備,如高壓電機、高壓套管的出廠試驗、高壓電纜等,在采用外部大功率試驗變壓器或串聯諧振等外部加壓設備加壓的環(huán)境下,進行介損測試。儀器分為手持終端和測試主機兩部分。手持終端與測試主機之間采用2.4G無線通訊方式。可做正接法測試和反接法測試,正接法和反接法的電流測量量程均可達到2uA-15A的超寬范圍。外施高壓不同頻率可自適應測量,范圍可達30Hz-300Hz。
介質損耗試驗的目的:是通過測量介質損耗因數來判斷設備絕緣性能。

ZSDJS-9535高壓電纜介損測試儀主要針對大容量和高電壓容性設備,如高壓電機,高壓套管的出廠試驗,高壓電纜等,在采用外部大功率試驗變壓器或串聯諧振等外部加壓設備加壓的環(huán)境下,進行介損測試。儀器分為手持終端和測試主機兩部分。手持終端與測試主機之間采用2.4G無線通訊方式??勺稣臃y試和反接法測試,正接法和反接法的電流測量量程均可達到2uA-15A的超寬范圍。外施高壓不同頻率可自適應測量,范圍可達30Hz-300Hz。
介質損耗試驗的目的是通過測量介質損耗因數來判斷設備絕緣性能。一般使用西林電橋、電流比較型電橋、M型介質試驗器等儀器進行試驗。
ZSDJS-9535高壓電纜介損測試儀特點
1、7寸彩色液晶顯示工業(yè)級電容屏
儀器采用高端電容式觸摸7寸彩色液晶顯示屏,超大顯示界面所有操作步驟中文菜單顯示,每一步都清晰明了。
2、超寬電流量程
正接法和反接法電流測量量程都可以達到20uA-15A的超寬范圍,更大電流可定制。
3、超寬頻率范圍
外施高壓頻率可達30Hz-300Hz的超寬范圍,自適應測量。
4、各種高電壓可定制
外施高壓電壓能夠滿足各種高電壓環(huán)境,可根據用戶需求定制。
5、光纖高壓通訊
測試主機高壓采樣與低壓采樣之間采用工業(yè)級光纖通訊模塊,在兼顧高低壓之間絕緣性能的同時又能最大程度保障測試數據的精度。
6、獨立手持操作終端
手持終端與測試主機完全隔離采用2.4G無線通訊,整個測試過程中用戶只需在手持終端上操作即可,最大程度保障操作人員的人身安全。
7、鋰電池供電
手持終端、測試主機低壓端、測試主機高壓端,都采用鋰電池供電,充滿電可連續(xù)工作8小時以上。
8、U盤存儲
本機存儲的數據可以通過USB接口保存至U盤中。
ZSDJS-9535高壓電纜介損測試儀工作原理
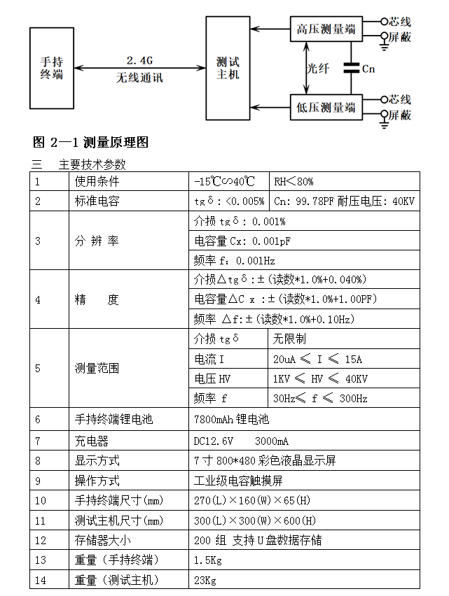
在交流電壓作用下,電介質要消耗部分電能,這部分電能將轉變?yōu)闊崮墚a生損耗。這種能量損耗叫做電介質的損耗。當電介質上施加交流電壓時,電介質中的電壓和電流間成在相角差ψ,ψ的余角δ稱為介質損耗角,δ的正切tgδ稱為介質損耗角正切。tgδ值是用來衡量電介質損耗的參數。儀器測量線路包括一標準回路(Cn)和一被試回路(Cx),如圖2—1所示。標準回路由內置高穩(wěn)定度標準電容器與測量線路組成,被試回路由被試品和測量線路組成。測量線路由取樣電阻與前置放大器和A/D轉換器組成。通過測量電路分別測得標準回路電流與被試回路電流幅值及其相位差,再由數字信號處理器運用數字化實時采集方法,通過矢量運算得出試品的電容值和介質損耗正切值。
三主要技術參數
1、使用條件 -15℃∽40℃ RH<80%
2、標準電容 tgδ: <0.005% Cn: 99.78PF
耐壓電壓: 40KV
3、分辨率 介損tgδ: 0.001%
電容量Cx: 0.001pF
頻率f:0.001Hz
4、精度 介損△tgδ:±(讀數*1.0%+0.040%)
電容量△C x :±(讀數*1.0%+1.00PF)
頻率 △f:±(讀數*1.0%+0.10Hz)
5、測量范圍 介損tgδ 無限制
電流I 20uA ≤ I ≤ 15A
電壓HV 1KV ≤ HV ≤ 40KV
頻率 f 30Hz≤ f ≤ 300Hz
6、手持終端鋰電池 7800mAh鋰電池
7、充電器 DC12.6V 3000mA
8、顯示方式 7寸800*480彩色液晶顯示屏
9操作方式 工業(yè)級電容觸摸屏
10、手持終端尺寸(mm) 270(L)×160(W)×65(H)
11、測試主機尺寸(mm) 300(L)×300(W)×600(H)
12、存儲器大小 200 組 支持U盤數據存儲
13、重量(手持終端) 1.5Kg
14、重量(測試主機) 23Kg





快速跳轉